| 发文字号 | 索引号 | wgswjw-00000-2026-00001 | 发布日期 | 2026-03-26 | 有效性 | |
| 主题分类 | 业务管理 | 体裁分类 | 服务对象 |
文号
索引号wgswjw-00000-2026-00001
关键词
主题分类业务管理
体裁分类
服务对象
有效性
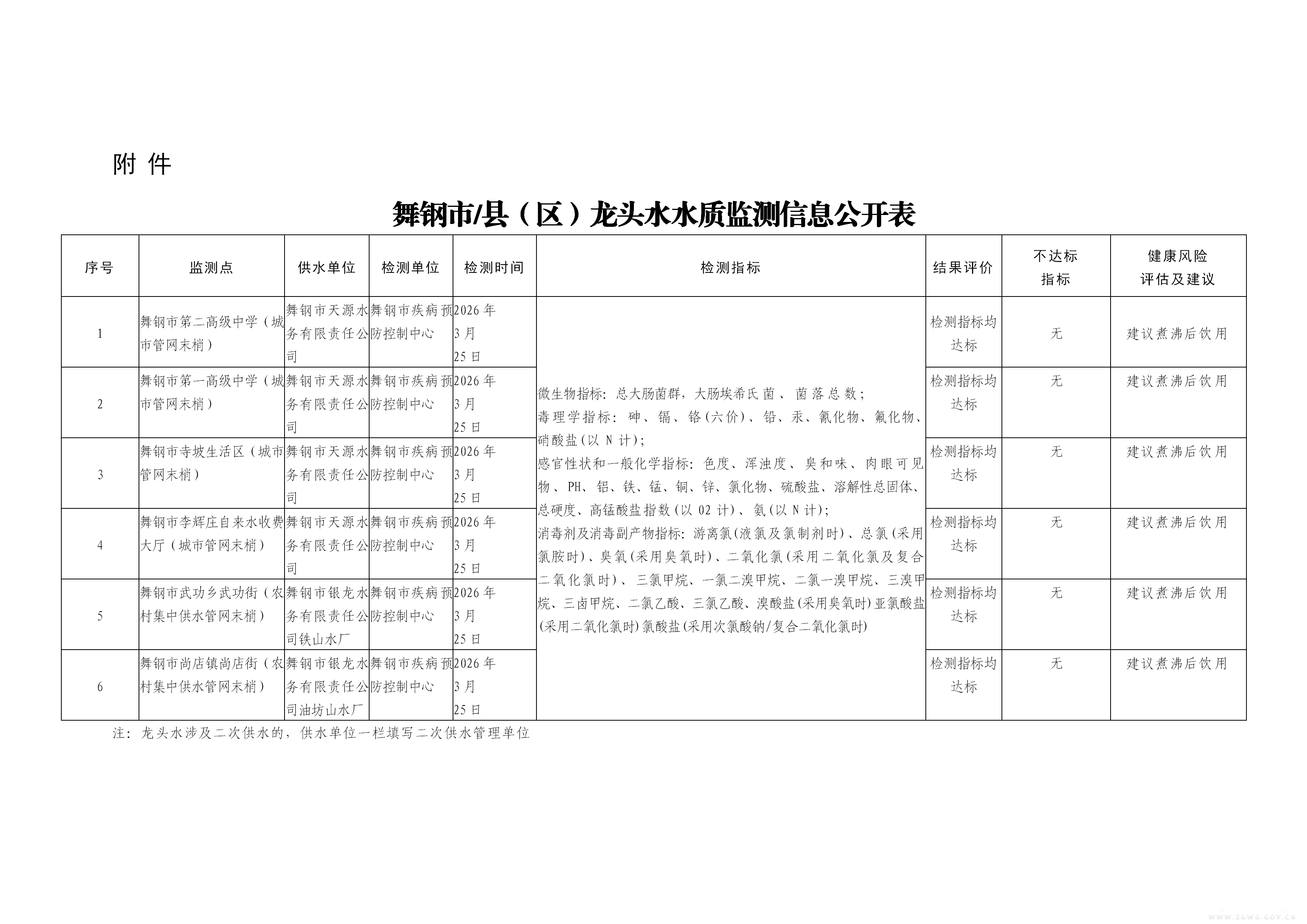
舞钢市县(区)龙头水水质监测信息公开表
发布日期:2026-03-26
来源:
浏览次数:
次

